
„CoreSeles Motors“ medicininėms reikmėms
VSD pagaminti „CoreSeless Motors“ (tuščiaviduriai puodelių varikliai) yra ypač didelio greičio, mažos inercijos ir kankinimo sinonimai ir yra suprojektuoti ir pagaminti specialiai medicininei įrangai, puikiai tinkančiai griežtesniems tikslumo ir efektyvumo reikalavimams medicinos srityje. .
Aprašymas
„CoreSeles Motors" medicininėms reikmėms
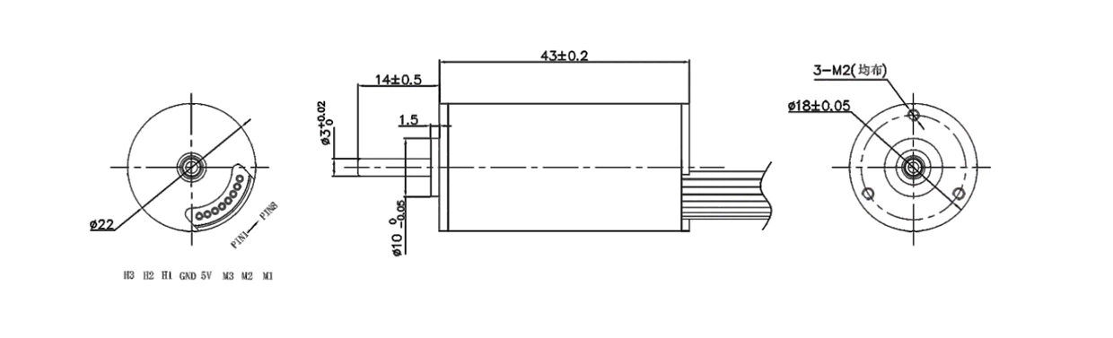
| Produkto vaizdas | |||||||||
| Variklio modelis | VEC -2850 | VEC -2855 | VEC -3269 | VEC -2867 di | |||||
| Įtampa | Veikimo diapazonas | 8.4~14.4 | 22~26 | 8.4~14.4 | 22~26 | 8.4~14.4 | 22~26 | 8.4~14.4 | 22~26 |
| Nominalus V |
12 | 24 | 12 | 24 | 12 | 24 | 12 | 24 | |
| Nėra apkrovos | Greitis r/min |
8658 | 17650 | 4716 | 11131 | 2566 | 5236 | 1556 | 3180 |
| Currnt A |
0.26 | 0.22 | 0.139 | 0.136 | 0.139 | 0.134 | 0.06 | 0.05 | |
| Esant maksimaliam efektyvumui | Greitis r/min |
7261 | 15536 | 4140 | 10218 | 2146 | 4599 | 1295 | 2781 |
| Dabartinis A |
1.351 | 1.911 | 0.997 | 1.557 | 0.709 | 1.003 | 0.296 | 0.419 | |
| Sukimo momentas Mn.M |
14.867 | 22.492 | 21.362 | 36.066 | 26.076 | 42.08 | 12.364 | 18.772 | |
| Išvestis W |
11.305 | 36.593 | 9.26 | 38.525 | 5.86 | 20.265 | 1.676 | 5.468 | |
| Pradžia | Sukimo momentas Mn.M |
92.126 | 187.794 | 174.534 | 438.557 | 159.113 | 345.727 | 91.42 | 149.8 |
| Dabartinis A |
7.022 | 14.043 | 7.147 | 17.411 | 3.618 | 7.238 | 1.463 | 2.923 | |
| Produkto dizainas |
|
|
|
|
|||||
| Produkto našumas |
|
|
|
|
|||||
| Produkto vaizdas | |||||||||
| Variklio modelis | VEC -4035 | VEC -1656 si | VEC -1657 | VEC -2838 | |||||
| Įtampa | Veikimo diapazonas | 12 | 22~32 | 8~14 | 22~32 | 8~14 | 22~32 | 8~16 | 18~26 |
| Nominalus V |
12 | 24 | 12 | 24 | 12 | 24 | 12 | 24 | |
| Nėra apkrovos | Greitis r/min |
19540 | 39425 | 37256 | 7500 | 15649 | 32062 | 56942 | 92000 |
| Currnt A |
0.81 | 0.81 | 0.286 | 0.281 | 0.18 | 0.16 | 0.32 | 0.26 | |
| Esant maksimaliam efektyvumui | Greitis r/min |
17266 | 36066 | 33133 | 69025 | 12871 | 27817 | 49659 | 82946 |
| Dabartinis A |
6.15 | 8.697 | 2.298 | 3.249 | 0.834 | 1.179 | 2.22 | 2.38 | |
| Sukimo momentas Mn.M |
38.234 | 56.474 | 7.165 | 10.555 | 4.788 | 7.317 | 4.247 | 5.957 | |
| Išvestis W |
69.131 | 213.292 | 24.86 | 76.291 | 6.453 | 21.314 | 22.087 | 51.742 | |
| Pradžia | Sukimo momentas Mn.M |
328.513 | 662.826 | 64.727 | 130.473 | 36.971 | 55.259 | 33.208 | 60.528 |
| Dabartinis A |
46.688 | 93.376 | 18.46 | 36.92 | 3.864 | 7.728 | 15.11 | 21.82 | |
| Produkto dizainas |
|
|
|
![]() |
|||||
| Produkto našumas |
|
|
|
|
|||||
| Produkto vaizdas | |||||||||
| Variklio modelis | VEC -0824 | VEC -2242 labas | VEC -2248 | VEC -3260 si | |||||
| Įtampa | Veikimo diapazonas | 6~12 | 8~14 | 18 | 22~32 | 8.4~14.4 | 22~26 | 8.4~14.4 | 22~26 |
| Nominalus V |
6 | 12 | 18 | 24 | 12 | 24 | 12 | 24 | |
| Nėra apkrovos | Greitis r/min |
35000 | 71171 | 52379 | 70170 | 34680 | 70263 | 3301 | 6748 |
| Currnt A |
0.055 | 0.055 | 0.37 | 0.37 | 0.37 | 0.34 | 0.141 | 0.138 | |
| Esant maksimaliam efektyvumui | Greitis r/min |
29663 | 63138 | 46083 | 62746 | 29913 | 63147 | 2738 | 5891 |
| Dabartinis A |
0.306 | 0.432 | 2.708 | 3.127 | 2.321 | 3.283 | 0.685 | 0.969 | |
| Sukimo momentas Mn.M |
0.369 | 0.556 | 7.827 | 9.23 | 6.534 | 9.753 | 19.256 | 29.298 | |
| Išvestis W |
1.147 | 3.673 | 37.773 | 60.65 | 20.467 | 64.4696 | 5.52 | 18.074 | |
| Pradžia | Sukimo momentas Mn.M |
2.421 | 4.922 | 65.112 | 87.236 | 47.529 | 96.296 | 112.833 | 230.655 |
| Dabartinis A |
1.699 | 3.398 | 19.817 | 26.425 | 14.566 | 29.131 | 3.33 | 6.66 | |
| Produkto dizainas |
|
|
|
|
|||||
| Produkto našumas |
|
|
|
|
|||||
„CoreSeles" variklisS medicinos srityje
VSD pagaminti „CoreSeless Motors" (tuščiaviduriai puodelių varikliai) yra ypač didelio greičio, mažos inercijos ir kankinimo sinonimai ir yra suprojektuoti ir pagaminti specialiai medicininei įrangai, puikiai tinkančiai griežtesniems tikslumo ir efektyvumo reikalavimams medicinos srityje. .
VSD „CoreSeless" varikliai šiuo metu naudojami įvairiausiose tiksliose medicininėse įrangose, tokiose kaip odontologijos įranga, medicinos detektoriai, medicinos siurbliai ir medicininės chirurgijos robotai. Šie įrenginiai reikalauja didelio paleidimo, stabdymo ir reagavimo greičio, o VSD „CoreSeles" varikliai ne tik užtikrina didelį greitį, bet ir realizuoja aukštą tikslumo valdymą ir stabilumą per puikų našumą, taip efektyviai sumažindami gedimo greitį veikimo metu.
VSD „CoreSeless Motors" yra gaminami griežtai pagal medicinos ISO ir IEC serijos standartus, taip pat palaiko skirtingų IP įvertinimų pritaikymą, kad būtų užtikrinta, jog varikliai turi puikų vandenį ir atsparumą dulkėms, kad patenkintų specialius patikimumo ir saugos poreikius medicininėje aplinkoje.
VSD „CoreSeless Motors" palaiko platų įtampos specifikacijų, įskaitant 6 V, 12 V, 18 V, 24 V ir 36 V, asortimentą, o maksimalus greitis yra 100, 000 R/min, kuris teikia ypač aukštą medicininės įrangos palaikymą. Be to, VSD gali pritaikyti variklio greitį, įtampą, srovę, montavimo skylutes, gnybtus ir švino dizainą, kad atitiktų specifinius skirtingų medicinos prietaisų reikalavimus.
Nesvarbu, iš kur esate, jei jums reikia medicininių „Coreless Motors", VSD suteiks jums puikų produkto našumą ir veiksmingus bei stabilius sprendimus, įšvirkščiant stiprią galią į savo medicinos įrangą ir padės nuolatinėms naujovėms ir medicinos naujovėms bei kūrimo plėtrai Technologija.
Ką gauni renkantis VSD„CoreSeles" variklis
„CoreSeles Motors" kokybės užtikrinimas
VSD visada yra įsipareigojusi teikti klientams patikimus „CoreSeless Motor Solutions", turinčius puikią ir dėmesingą aptarnavimą. Nesvarbu, ar tai medicininė įranga, ar kiti didelio tikslumo laukai, VSD gali suteikti jums visą kokybės užtikrinimo asortimentą.
Nemokama parama
Nesvarbu, ar tai mūsų standartizuoti produktai, ar pritaikyti produktai, VSD teikia nemokamą pavyzdžių paslaugą. Pirmajame etape turime imti atitinkamą imties mokestį, tačiau po oficialaus bendradarbiavimo mes kompensuosime imties mokestį nuo atitinkamos įsakymo sumos, kad padėtume klientams sumažinti pradines išlaidas.
Griežtas kokybės bandymas
Kiekvienas „CoreSeles" variklis prieš išeidamas iš gamyklos atlieka griežtus kokybės bandymus, įskaitant: triukšmo testą, vandeniui atsparų bandymą, gyvybės testą, avarijos bandymą, laikymo testą, druskos purškimo testą ir daugybę kitų testų. Šie išsamūs bandymai užtikrina stabilų variklių veikimą sudėtingoje aplinkoje, užtikrinant didesnį medicininės įrangos patikimumą ir ilgaamžiškumą.
Profesinė techninė pagalba
VSD turi patyrusią mokslinių tyrimų ir plėtros komandą, kuri teiktų klientams profesionalias technines konsultacijas ir probleminius sprendimus, kad užtikrintų, jog nesijaudinate renkantis ir naudojantis „Coreless Motors".
Dėmesinga paslauga po pardavimo
Kalbant apie produktus, klientams suteikiame garantiją nuo 3 iki 12 mėnesių; Kalbant apie paslaugas, VSD užsienio prekybos komanda sukaupė ilgametę patirtį automobilių pramonėje, laiku reaguodama į jūsų poreikius ir suteikdama jums kokybišką po pardavimo patirtį.
Didelė sveikatos priežiūros pramonės patirtis
VSD gaminami „Coreless Motors" buvo plačiai naudojami medicinos srities įrangoje, tokiose kaip dantų instrumentai, medicinos bandytojai, medicinos siurbliai ir chirurginiai robotai, iš tikrųjų prisidedantys prie novatoriškos medicinos pramonės plėtros.
Patikimas „Coreless Motors" gamintojas
Kaip profesionalus „Coreless Motors" gamintojas, VSD sukūrė patikimą prekės ženklo įvaizdį pramonėje dėl savo stiprių gamybos pajėgumų, technologinių naujovių ir puikių aptarnavimo.
Stiprus gamybos seminaras
VSD gamykla yra Dongguane, Guangdonge, Kinijoje, apimantis daugiau nei 10, 000 kvadratinių metrų plotą. Esame tikra ir patikima įmonė ir laukiame klientų bet kuriuo metu apsilankyti pas mus, kad patirtume savo gamybos jėgą ir įmonių kultūrą.
Technologijų plėtra priešakyje
Mes investuojame beveik milijoną dolerių per metus į „Coreless Motors" tyrimus ir plėtrą, ir toliau diegiame savo technologijas, kad užtikrintume, jog mūsų produktai gali patenkinti greito medicinos technologijos plėtros poreikius.
Išplėstinė automatizavimo įranga
„VSD" gamykloje yra įvairių pažangių automatizavimo įrangos, įskaitant: automatinę apvijos mašiną, automatinę statoriaus aparatą, automatinį galinio dangtelio statoriaus mašiną ir automatinį litavimo mašiną. Ši didelio efektyvumo įranga suteikia stiprią techninę garantiją motorinei gamybai ir dar labiau padidina produktų nuoseklumą ir stabilumą.
Stiprus gamybos pajėgumas
Mes turime daugiau nei 40 surinkimo linijų, turinčių daugiau nei 300 automatinės įrangos rinkinių ir daugiau nei 500 priekinių linijų darbuotojų, kurių kasdienis gamybos pajėgumas yra iki 200, 000 vienetų ar daugiau, o tai visiškai garantuoja mūsų klientams ". užsakymo reikalavimai.
Tiesioginio gamyklos kainos pranašumas
Kaip gamintojas, tiesiogiai klientui, VSD turi aiškų pranašumą. Sumažindami tarpines nuorodas, mes klientams teikiame ekonomiškesnius „CoreSeless Motor" produktus, padedančius jiems užimti konkurencinį pranašumą rinkoje.
Nesvarbu, ar jums reikia standartizuoto produkto, ar pritaikyto sprendimo, VSD turi stiprybės ir kompetencijos jūsų poreikiams patenkinti. Kaip patyręs „Coreless Motors" gamintojas, VSD ir toliau stengsis pateikti aukštos kokybės, aukštos kokybės produktus ir būti jūsų patikimas partneris.
Pastaba: Sužinokite daugiau apie „VSD Micromotor" gamyklos stiprumą
Siųsti užklausą
Tau taip pat gali patikti











































